товаров
0
на сумму:
0
руб.
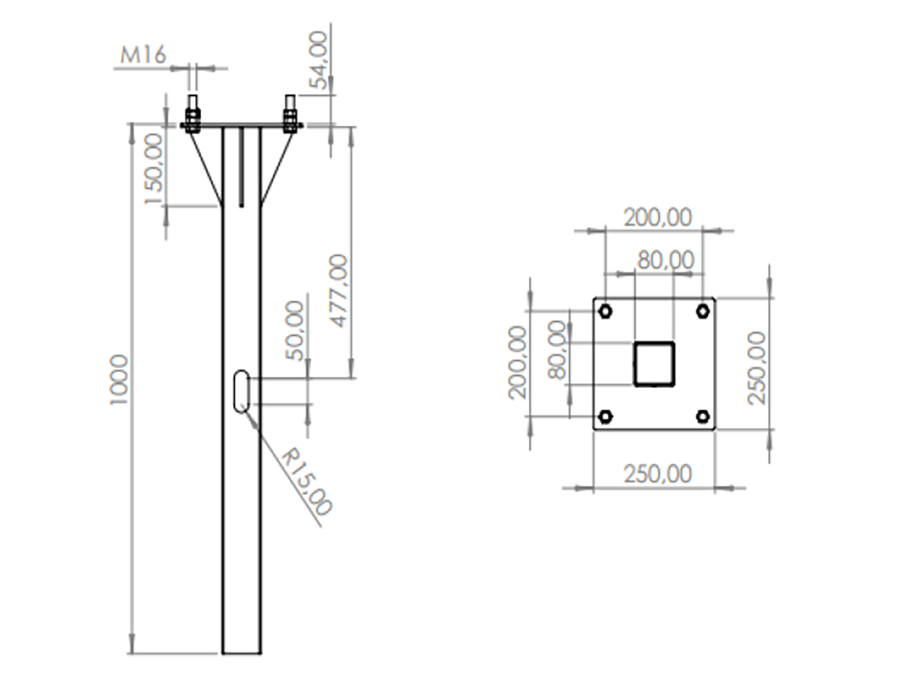
Закладная для фундамента ФЗОП-1 предназначена для монтажа парковых светильников TL-PARK в комплекте с опорой высотой до 4 метров. Закладная деталь длиной 1000 мм изготовлена из оцинкованной стали толщиной 2.5 мм и сверху покрыта порошковой краской для предотвращения коррозии. Для установки нестандартных светильников с увеличенной высотой более 4 метров необходимо изготовление удлиненной до 1500 мм закладной детали.
Как крепится?
Закладная деталь утапливается в грунт и заливается бетоном. После высыхания бетона на фланец монтируется опора и выставляется вертикальный уровень. При монтаже важно не забыть завести питающий кабель необходимой длины, а также смонтировать опору лючком назад от пешеходной зоны.
